SPECIFICATIONS

링블로어 제원


성능곡선 (4RB 단상)
흡입용 (Vacuum)토출용 (Compressor)



성능곡선 (2RB 단상)
흡입용 (Vacuum)토출용 (Compressor)

* 본 성능 그래프는 흡입구에서 압력이 1,013 mbar 이고 토출구에서 공기온도가 15°C 일때 기준으로 작성되었습니다. 허용 오차는 ± 10% , 총 압력차는 주변온도가 25°C 일때 수치입니다.


사 양 (4RB 단상)
곡선번호모델번호
모터중량소음도최대 유량최대 흡입압력최대 토출압력
주파수사양
출력전압전류
HzkWVAKgdB(A)M3/hmbarmbar
4GS4RB 210-0AV75500.552303.1185747-230290
600.632307.16257-270320
33GS4RB 310-0AV75500.94230
7.6185766-250350
601.1230
96280-280390
63GS4RB 410-0AV45501.1230
10.1235887-300380
601.3230
10.363105-350390
7GS4RB 220-0AV75501.5230
9.7305847-370600
601.75230
10.36260-420660
36GS4RB 320-0AV75501.5230
9.7325965-400550
601.75230
10.36376-390540

* 제품 사양은 성능향상을 위해 예고없이 변경될 수 있습니다.

사 양 (2RB 단상)
곡선번호모델번호
*재고품
모터중량소음도최대 유량최대 흡입압력최대 토출압력
주파수사양
출력전압전류
HzkWVAKgdB(A)M3/hmbarmbar
4AS*2RB 010-7AA11500.22301.554655-8090
600.232301.64870-110120
8AS*2RB 210-7AV11500.37230
2.7115380-110110
600.45230
3.05696-130140
15AS*2RB 410-7AV11500.8230
5.21563145-150160
600.9230
5.864175-160140
17AS*2RB 410-7AV21501.1230
7.31663145-150190
601.3230
8.364175-180190
25AS2RB 510-7AV11501.1230
7.32164210-160160
601.3230
8.370255-150160
68AS2RB 320-7AV31501.1230
7.31758120-240280
601.3230
8.360145-230260
70AS2RB 420-7AV31501.5230
9.02666150-280290
601.7523010.069180-250280

* 제품 사양은 성능향상을 위해 예고없이 변경될 수 있습니다.

사 양 (Elmo-G<구 지멘스> 2BH1 시리즈)
곡선번호모델번호
*재고품
모터중량소음도최대 유량최대 흡입압력최대 토출압력
주파수사양
출력전압전류
HzkWVAKgdB(A)M3/hmbarmbar
131H*2BH1200-1AB06
600.322206186180-6060
151H
*2BH1500-1AB16
601.5220732073220-140150
152H
*2BH1500-1AB26
601.75220732173240-160180

* 제품 사양은 성능향상을 위해 예고없이 변경될 수 있습니다.



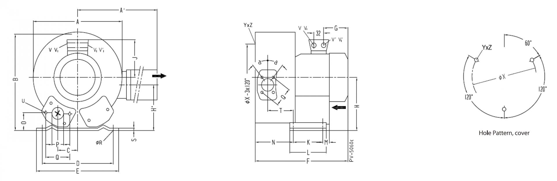
외형도 (2RB 210 ~ 2RB 410)
TypePhase


























ABCDEFGHJKLMNOPQ

ØR

SUV(1~)V'(1~)V(3~)V'(3~)YxZØX
2RB210-7AH163
























2RB210-7AV111


















M16X1.5M25X1.5



2RB410-7AV11128630211522525529416015412095130707546G11/2
(15deep)
72123M16X19M16X1.5M25X1.5


174
2RB410-7AH211
























2RB410-7AH063




269115
111











M25X1.5M16X1.5

2RB410-7AH263




292160
120

















외형도 (2RB 220. / 2RB 320. / 2RB 420.)
TypePhase






























AA'BCDEFGHH'JKLMNOPQ

ØR

STUV(1~)V'(1~)V(3~)V'(3~)αØXYxZ
2RB210-7AH16329332428647

354160141114120

8213841



92





160
2RB210-7AV111





















M25X1.5M16X1.5




2RB410-7AV11332232431558225255401191154153128951307315145G11/2
(15deep)
72123104M6X19

M25X1.5M16X1.528° 174
2RB410-7AH213




























2RB410-7AH061





















M16X1.5M25X1.5





공통 사양
링블로어(Ring Blower)란?


고압의 공기를 필요로 하는 산업현장 및 기계장치에 사용되는 링블로워(Ring Blower)는 그 용도와 요구되는 성능에 따라 다양한 크기 및 구조로 제작됩니다. 임페러의 갯수 및 수로의 형태에 따라 구분되며 유체를 한번 압축하는 단상형과 한번 압축된 유체를 또 한번 압축하는 고압형 등으로 구분됩니다.

링블로어의 원리


1. 흡입구로 부터 공기가 유입됩니다.

2. 임펠러의 원심력으로 압력이 상승합니다.

3.공기가 케이싱에 압축되어 임펠러 사이에서 와류 운동이 발생합니다.

4. 와류운동이 토출구까지 반복하여 강력한 풍압을 얻습니다. < *참고 이미지 내 숫자설명 >


유지보수 불필요

100% 무급유 압축으로 정비가 불필요하며 모터 브러시와 임펠라에 마모가 없어 보수 및 유지관리 비용을 절감할 수 있습니다.

저소음과 무진동

임펠러 회전시 하우징과 접촉이 없으므로 정숙한 운행이 가능합니다.

안정적인 풍량

원심력을 이용한 내부 디자인은 일정하고 안정된 풍량을 제공합니다.

내구성 향상

직결된 모터 샤프트와 임펠러 덕분에 장기간 작업 수행이 가능합니다.


소모성 부품 리스트
부품명적용모델규 격중량(Kg)
에어필터
(Suction Filter for Compressor)
2RB(4RB) 2./3.
G1 1/4' "1.4
2RB 4.G1 1/2' "
3.0
2RB 5./7.55mm2.7
2RB 8.G2 1/2' "
5.1
2RB 9. 100 mm20
2RB 943135 mm22
플랜지
(Threaded Flange)
2RB 5./6./7.G2"0.46
2RB 91/92G4"1.6



공식수입원 : 대전기계공업(주)  |  소재지 : 경기도 평택시 서탄면 수월암4길 239 

대표이사 : 김재일  |  사업자등록번호 : 204-81-12238

COPYRIGHT (C) 2024 DAIJEON MACHINERY Co. Ltd. All RIGHT RESERVED




대전기계공업(주)  |  소재지 : 경기도 평택시 서탄면 수월암4길 239 

대표이사 : 김재일  |  사업자등록번호 : 204-81-12238

COPYRIGHT (C) 2024 DAIJEON MACHINERY Co. Ltd. All RIGHT RESERVED

카카오톡 채널 채팅하기 버튼